山東萬象環境科技有限公司
聯系人:毛經理
銷售電話:15666889815
銷售QQ:1950883583
公司地址:山東省濰坊高新區新城街道玉清社區光電路155號濰坊高新區光電產業加速器(一期)1號樓301

聯系人:毛經理
銷售電話:15666889815
銷售QQ:1950883583
公司地址:山東省濰坊高新區新城街道玉清社區光電路155號濰坊高新區光電產業加速器(一期)1號樓301

一、漂浮式水質自動監測站產品簡介
漂浮式水質自動監測站又稱水質浮標站,漂浮水質監測站,漂浮式水質自動監測站采用360°圓形平臺,水下搭載營養鹽、ADCP和多數水質傳感器,水上可安裝多參數氣象、GPRS通信等系統,能夠實時監測水環境中水質的情況,為水環境保護提供有效監測
1.水質浮漂監測站SFA集數據采集、存儲、傳輸和管理于一體的無人值守的采集系統。它在工農業生產、旅游、城市環境監測、地質災害、防洪、供水調度、電站水庫水情管理等為目的水文自動測報系統;功能強大的上位機軟件可遠程觀測實時水雨情信息,具有數據庫、報表、下載等功能,用戶還可利用該功能完善的氣象軟件對記錄的數據作進一步的處理分析。
2.SFA06款浮標是由水質傳感器(水溫、電導率、PH、溶解氧、氨氮、濁度)、數據采集儀、通訊系統、供電系統、整體 支架、水質監測平臺六部分組成。同時可擴展COD、葉綠素、懸浮物等多項水質要素。數據采集儀具有數 據采集、實時時鐘、數據定時存儲、參數設定和標準2G/4G(GPRS)通信功能。
二、漂浮式水質自動監測站產品特點
1.易部署:各類型探頭進行高度集成,安裝方便;提供免費云平臺服務,系統快速上線;
2.易維護:設備安裝后,自行工作即可,無需人工值守,也可以通過遠程監控的方式保障設備的正常運行;
3.易擴展:傳感器探頭均使用統一的通信協議,可以快速對接原設備,快速擴展監測參數;
4.低功耗:設備可以實現低功耗狀態下,長時間運行,增加設備使用的便利性;
5.實時性:設備監測到的數據實時傳輸至云平臺,提升環境數據反饋的及時性。
三、技術參數
1. 主體參數
| 產品名稱 | 描述 |
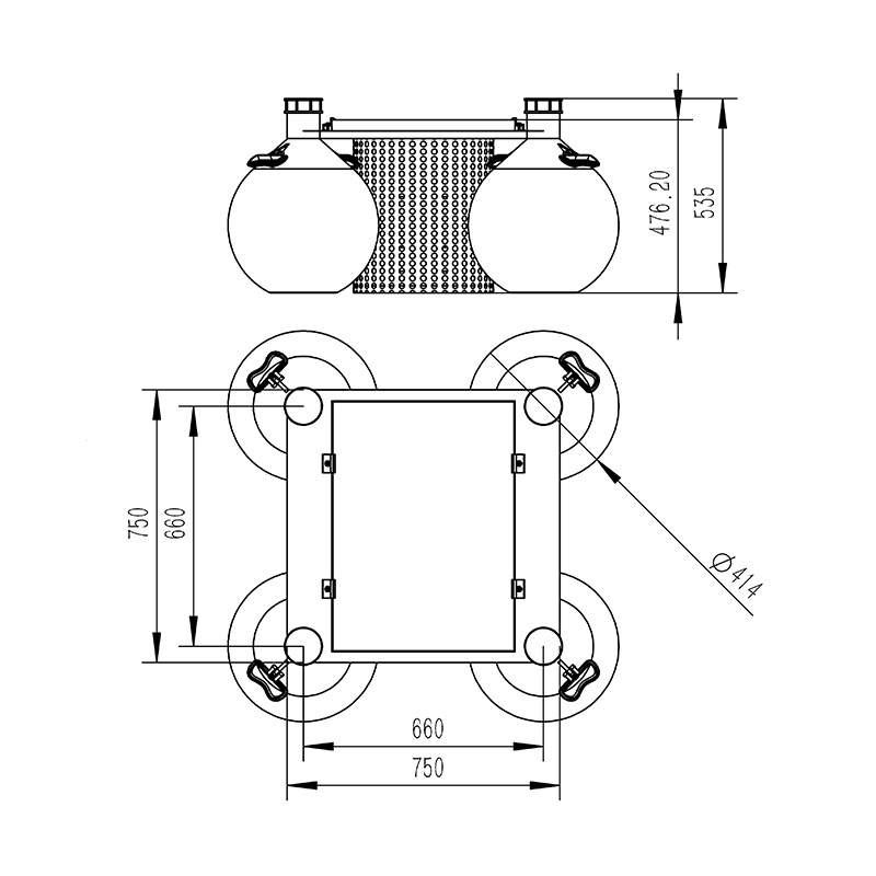
| 環境水質監測浮標 | 可實時實現多路參數在線監測??蓪崿F電池電量監控??蓪崿F云平臺數據監控、數據推送、數據的存儲和報警功能;數據的無線發射功能。峰值功耗為 5W;傳感器功耗 0.25W左右/只。外形尺寸:750mm*750mm*535mm。浮球直徑414mm重量:22kg |
| 采集器數據采集 | 運行可靠,抗干擾,可集成多路RS485/MODBUS-RTU從站設備 |
| 采集器數據輸出 | 1 路 Rs485/JSON協議輸出 |
| 電池 | 鋰電池 12VDC,20AH(默認) |
| 太陽能電池板 | 22.1V/50W(默認) |
| 供電能力 | 定制選型;陰雨天間歇工作 5天以上 |
| 位置指示(選配) | 警示燈;GPS 定位; |
| 監測平臺 | 云平臺;手機/電腦多終端登錄 |
| 防護罩 | 304 不銹鋼濾筒防護罩 |
| 浮體 | 直徑414mm 球形浮體*4工程塑料 |
2.可選配傳感器的主要參數
| 序號 | 名稱 | 測量范圍 | 測量原理 | 測量精度 | 是否標配 | 備注 |
| 1 | 溫度 | 0~50℃ | 高精度數字傳感器 | ±0.3℃ | ? | |
| 2 | pH | 0~14(ph) | 電化學(鹽橋) | ± 0.1PH | ? | |
| 3 | ORP | -1500mv~1500mv | 電化學(鹽橋) | ± 6mv | ||
| 4 | 電導率 | 0~5000uS/cm | 接觸式電極法 | ± 1.5% | ? | |
| 5 | 濁度 | 0~40NTU(低濁) | 散射光法 | ± 1% | 低濁可定制 | |
| 0~1000NTU(中濁) | 散射光法 | ± 1% | 中濁可定制 | |||
| 0~3000NTU(高濁) | 散射光法 | ± 1% | ? | 默認發 | ||
| 6 | 溶解氧 | 0~20mg/L | 熒光壽命法 | ± 2% | ? | |
| 7 | 氨氮 | 0-1000.00mg/L(默認) 0-100.00mg/l/(可定制) | 離子選擇電極法 | 讀數的10%, ±0.5℃ | ? | |
| 8 | cod | 0~500mg/ L | UV254 吸收法 | ±5% | 默認發、cod濁度一體;帶有自動清潔器,可防止生物附著,避免光窗污染,以保證長期監測依然具有穩定性;可設置自動清潔時間及清潔次數,功耗0.7W | |
| 濁度 | 0~400NTU | 散射光法 | ± 1% | |||
| 9 | 懸浮物 | 0~2000mg/L | 散射光法 | ±5%(取決于污泥同質性) | ||
| 10 | 葉綠素 | 0~400ug/L | 熒光法 | R2>0.999 | 帶有自動清潔器,可防止生物附著,避免光窗污染,以保證長期監測依然具有穩定性;可設置自動清潔時間及清潔次數,功耗0.7W |
四、產品尺寸圖

五、設備安裝要求
1.遠離大功率無線電發射源
2.遠離高壓輸電線和微波無線電傳送通道
3.盡量靠近數據傳輸網絡
4.遠離強電磁干擾
六、云平臺介紹
1.CS架構軟件平臺,支持手機、PC瀏覽器直接觀測.無需額外安裝軟件。
2.支持多帳號、多設備登錄
3.支持實時數據展示與歷史數據展示儀表板
4.云服務器.云數據存儲,穩定可靠,易于擴展,負載均衡。
5.支持短信報警及閾值設置
6.支持地圖顯示、查看設備信息。
7.支持數據曲線分析
8.支持數據導出表格形式
9.支持數據轉發,HJ-212協議,TCP轉發,http協議等。
10.支持數據后處理功能
11.支持外置運行javascript腳本
對于防汛抗旱工作而言,WX-YJ3自動監測雨量站的價值尤為突出。降雨情況是判斷汛情、旱情的關鍵依據,及時準確的雨量數據能幫助相關部門提前預判風險。有了這款設備,不用再依賴人工值守記錄,就能實時掌握降雨的強度和累計雨量,快速研判汛情發展趨勢,提前部署防汛物資和人員,同時也能精準把握干旱地區的降雨補給情況,科學制定抗旱方案,有效降低災害損失。...
WX-ZS05管網水質監測設備,是專門用于實時監測和分析管網中水質狀況的高科技產品。它們能夠精確測量水中的各種指標,如水溫、電導率、PH、溶解氧、氨氮等,這些指標是衡量水質好壞的關鍵。通過持續監測,設備能夠及時發現水質異常,為水質管理和保護提供科學依據。這些“健康守護者”之所以重要,是因為它們能夠確保城市供水的安全性。...
傳統水質監測站點往往受限于地理位置和成本考慮,難以實現對所有水域的全面覆蓋。而WX-SFA03浮漂式水質監測系統憑借其靈活部署、易于移動的特點,可以輕松部署到河流、湖泊、水庫乃至近海海域等各種水域,形成一張密集的水質監測網絡。這種廣泛覆蓋的能力,極大地彌補了傳統監測手段的不足,讓水質監測無死角,確保每一滴水都受到應有的關注。...
WX-LSZ06水庫水質監測設備以其全面的監測能力和高度的適應性,廣泛應用于各類水域環境中。無論是廣闊的水庫,蜿蜒的河道,寧靜的湖泊,還是生態豐富的濕地,這些設備都能夠精準地捕捉到水質的變化,為管理者提供及時、準確的信息。通過連續、實時的監測,設備能夠全面反映水域的水質狀況,包括溶解氧、pH值、濁度、溫度、電導率等關鍵指標,為科學決策提供了有力的數據支持。...
WX-SS10便攜式水質懸浮物測定儀的出現,徹底改變了傳統檢測模式的被動局面。它體積小巧、便于攜帶,無需復雜的前期準備工作,可直接在現場完成檢測操作,快速反饋水中懸浮物含量狀況。這種即時檢測能力,讓使用者能第一時間掌握水質動態,及時發現懸浮物超標等問題,為快速采取凈化、管控措施爭取時間,大幅提升水質管理效率。...
WX-SFB04浮標水質監測站具有多種技術特點,使其在水質監測領域具有顯著優勢。首先,浮標水質監測站能夠實時監測水質參數,提供連續、準確的數據支持。其次,它采用多種傳感器集成設計,可以同時監測多種水質參數,實現對水質的全面評估。此外,浮標水質監測站還具有遠程傳輸功能,可以將監測數據實時傳輸至數據中心或云平臺,方便用戶隨時查看和分析。...